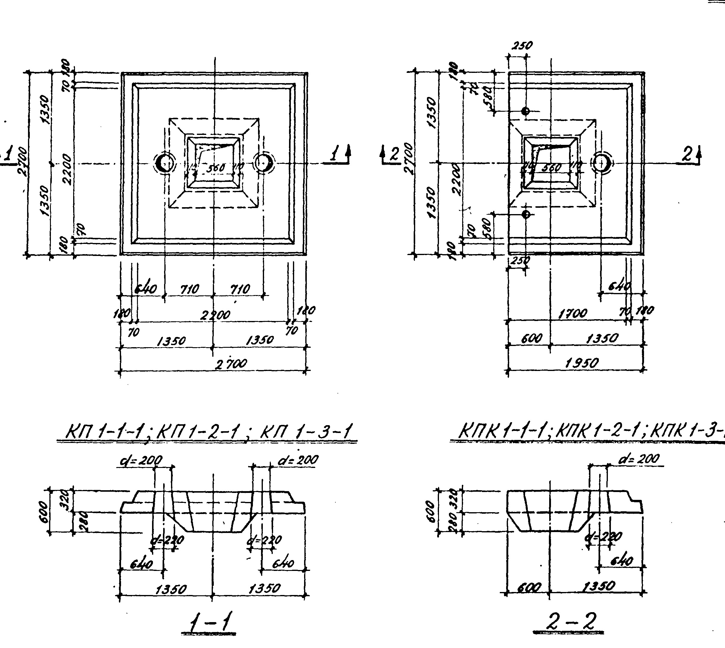
КП 1-4-3 - это капитель колонны, предназначенный для использования в железо-бетонных конструкциях. Он отличается высоким качеством материалов и прочностью, что обеспечивает надежность и долговечность конструкции. Капитель имеет эстетичный внешний вид, что делает его отличным выбором для различных архитектурных проектов.









